产品特点
灌胶法兰蝶阀真正实现了水务系统中在不断水的情况下实现可在线维修,蝶阀的密封结构形式可就地维修阀座,不需要拆卸阀门就能解决由阀板密封不严导致的漏水问题,蝶阀采用双偏心结构大大减少操作扭力轻松启闭,减少阀板与阀座橡胶的接触,延长阀座橡胶的使用寿命,提高阀门密封的可靠性。阀座结构采用燕尾槽设计,特制橡胶密封圈沉埋在燕尾槽内减少水压的冲刷,阀座密封面采用多层次弹性设计防止橡胶阀座由于长久密封挤压过度挤压疲劳,阀座密封圈安装时预先360度无死角包覆蝶板,密封零泄露。蝶板采用椼架式结构有效增加蝶板的强度并有序疏导水流,避免产生紊流减少水头损失。蝶阀阀体采用环保的环氧树脂粉末静电喷涂,高温融化包覆在阀门表面永不生锈,有效保护水资源不受污染。
主要技术参数
|
公称压力 |
1.0~2.5MPa |
|
适用介质 |
清水、原水 |
|
适用温度 |
0~80℃ |
|
法兰标准 |
GB/T 17241.6、GB/T 9113 |
|
试验标准 |
GB/T 13927、API 598 |
主要零件材质
|
序号 |
零件名称 |
材质 |
序号 |
零件名称 |
材质 |
|
1 |
阀体 |
球墨铸铁 |
1 |
主阀杆 |
不锈钢 |
|
2 |
蝶板 |
球墨铸铁 |
2 |
副阀杆 |
不锈钢 |
|
3 |
轴销 |
不锈钢 |
3 |
直推轴承 |
合金钢 |
|
4 |
阀座密封圈 |
NBR、EPDM |
4 |
主自润滑轴套 |
黄铜+复合基底 |
|
5 |
蜗轮头 |
球墨铸铁 |
5 |
副自润滑轴套 |
黄铜+复合基底 |
|
6 |
手轮 |
球墨铸铁 |
6 |
螺栓 |
不锈钢 |
|
7 |
O型圈 |
NBR、EPDM |
7 |
堵头 |
不锈钢 |
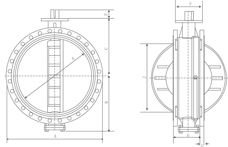
主要外形连接尺寸
|
公称通径(DN) |
A |
B |
C |
D |
E |
F |
G |
H |
I |
J |
K |
L |
||
|
PN10 |
PN16 |
PN10 |
PN16 |
|||||||||||
|
50 |
165 |
165 |
70 |
105 |
47 |
25 |
65 |
108 |
43 |
106 |
N/A |
28 |
19.0 |
19.0 |
|
65 |
185 |
185 |
75 |
110 |
60 |
25 |
65 |
112 |
46 |
126 |
N/A |
47 |
19.0 |
19.0 |
|
80 |
200 |
200 |
80 |
115 |
74 |
25 |
65 |
114 |
46 |
141 |
N/A |
64 |
19.0 |
19.0 |
|
100 |
220 |
220 |
95 |
140 |
94 |
25 |
90 |
127 |
52 |
161 |
N/A |
84 |
19.0 |
19.0 |
|
125 |
250 |
250 |
120 |
160 |
118 |
25 |
90 |
140 |
56 |
190 |
N/A |
110 |
19.0 |
19.0 |
|
150 |
285 |
285 |
125 |
165 |
146 |
25 |
90 |
140 |
56 |
217 |
58 |
140 |
19.0 |
19.0 |
|
200 |
340 |
340 |
155 |
205 |
191 |
38 |
125 |
152 |
60 |
272 |
125 |
186 |
20.0 |
20.0 |
|
250 |
395 |
405 |
190 |
240 |
237 |
38 |
125 |
165 |
68 |
327 |
178 |
232 |
22.0 |
22.0 |
|
300 |
445 |
460 |
220 |
275 |
288 |
38 |
150 |
178 |
78 |
377 |
248 |
282 |
24.5 |
24.5 |
|
350 |
505 |
520 |
311 |
330 |
332 |
50 |
150 |
190 |
92 |
433 |
291 |
330 |
24.5 |
26.5 |
|
400 |
565 |
580 |
353 |
365 |
382 |
75 |
150 |
216 |
102 |
484 |
335 |
383 |
24.5 |
28.0 |
|
450 |
615 |
640 |
377 |
400 |
434 |
75 |
150 |
222 |
114 |
534 |
391 |
435 |
25.5 |
30.0 |
|
500 |
670 |
715 |
421 |
445 |
484 |
75 |
210 |
229 |
127 |
582 |
443 |
483 |
26.5 |
31.5 |
|
600 |
780 |
840 |
530 |
485 |
583 |
75 |
210 |
267 |
154 |
686 |
541 |
584 |
30.0 |
36.0 |
|
700 |
895 |
910 |
608 |
564 |
677 |
105 |
300 |
292 |
N/A |
N/A |
634 |
N/A |
32.5 |
39.5 |
|
800 |
1015 |
1025 |
670 |
624 |
779 |
105 |
300 |
318 |
N/A |
N/A |
736 |
N/A |
35.0 |
43.0 |
|
900 |
1115 |
1125 |
685 |
670 |
879 |
105 |
300 |
330 |
N/A |
N/A |
841 |
N/A |
37.5 |
46.5 |
|
1000 |
1230 |
1255 |
722 |
755 |
979 |
118 |
350 |
410 |
N/A |
N/A |
916 |
N/A |
40.0 |
50.0 |
|
1200 |
1455 |
1485 |
840 |
880 |
1179 |
122 |
350 |
470 |
N/A |
N/A |
1107 |
N/A |
40.0 |
57.0 |
|
1400 |
1675 |
1685 |
1000 |
950 |
1370 |
145 |
415 |
530 |
N/A |
N/A |
1297 |
N/A |
46.0 |
60.0 |
|
1600 |
1915 |
N/A |
1118 |
1130 |
1567 |
150 |
415 |
600 |
N/A |
N/A |
1486 |
N/A |
49.0 |
N/A |