产品特点
由于本产品蝶阀采用的是三维偏心原理设计,使密封面的空间运动轨迹达到理想化,密封面相互之间无磨擦、无干涉、加之密封材料选择得当,从而使蝶阀的密封性、耐腐蚀性、耐高温性和耐磨性等得到了可靠的保证。其主要特点如下:
1、开启力矩小,灵活方便,省力节能。
2、三维编心结构,使蝶板越关越紧,其密封性能可靠,达到无泄漏。
3、耐高压、耐腐蚀、耐磨损、使用寿命长等。
主要零件材质
|
零件名称 |
材料 |
|
阀体 |
铸钢、不锈钢、铬钼钢、合金钢 |
|
蝶板 |
铸钢、合金钢、不锈钢、铬钼钢 |
|
密封圈 |
不锈钢与耐高温石棉板组合成多层次 |
|
阀杆 |
2Cr13、1Cr13不锈钢、铬钼钢 |
|
轴承 |
奥氏体不锈钢、304氮化 |
|
填料 |
柔性石墨 |
执行标准
|
设计与制造 |
GB/T12238-1989、JB/T8527-1997 |
|
法兰连接 |
GB/T9113.1-2000、GB/T9113.2-2000 GB/T9115.1-2000、GB/T9115.2-2000 |
|
结构长度 |
GB/T12221-1989 |
|
试验与检验 |
GB/T13927-1992、JB/T9092-1999 |
主要技术参数
|
公称通径 |
DN(mm) |
50~2000 |
|||
|
公称压力 |
PN(MPa) |
0.6 |
1 |
1.6 |
2.5 |
|
试验压力 |
强度试验 |
0.9 |
1.5 |
2.4 |
3.75 |
|
密封试验 |
0.66 |
1.1 |
1.76 |
2.75 |
|
|
气密封试验 |
0.6 |
0.6 |
0.6 |
0.6 |
|
|
渗漏率 |
<0.1×DNmm3/s(符合GB/T13927-92标准) |
||||
|
适用温度 |
碳钢:-29℃~425℃、不锈钢:-40℃~600℃ |
||||
|
适用介质 |
空气、水、蒸气、煤气、油品以及酸、碱、盐带有弱腐蚀性介质等 |
||||
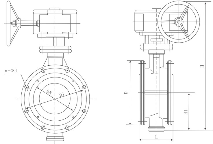
主要外形连接尺寸
|
公称通径 DN |
L |
H |
H1 |
PN1.0MPa |
PN1.6MPa |
PN2.5MPa |
|||||||
|
mm |
inch |
D |
D1 |
Z-φd |
D |
D1 |
Z-φd |
D |
D1 |
Z-φd |
|||
|
50 |
2 |
108 |
350 |
112 |
165 |
125 |
4-18 |
165 |
125 |
4-18 |
165 |
125 |
4-18 |
|
65 |
2 1/2 |
112 |
370 |
115 |
185 |
145 |
8-18 |
185 |
145 |
8-18 |
185 |
145 |
8-18 |
|
80 |
3 |
114 |
380 |
120 |
200 |
160 |
8-18 |
200 |
160 |
8-18 |
200 |
160 |
8-18 |
|
100 |
4 |
127 |
420 |
138 |
220 |
180 |
8-18 |
220 |
180 |
8-18 |
235 |
190 |
8-22 |
|
125 |
5 |
140 |
460 |
164 |
250 |
210 |
8-18 |
250 |
210 |
8-18 |
270 |
220 |
8-26 |
|
150 |
6 |
140 |
555 |
175 |
285 |
240 |
8-22 |
285 |
240 |
8-22 |
300 |
250 |
8-26 |
|
200 |
8 |
152 |
760 |
200 |
340 |
295 |
8-22 |
340 |
295 |
12-22 |
360 |
310 |
12-26 |
|
250 |
10 |
165 |
830 |
243 |
395 |
350 |
12-22 |
405 |
355 |
12-26 |
425 |
370 |
12-30 |
|
300 |
12 |
178 |
895 |
250 |
445 |
400 |
12-22 |
460 |
410 |
12-26 |
485 |
430 |
16-30 |
|
350 |
14 |
190 |
950 |
280 |
505 |
460 |
16-22 |
520 |
470 |
16-26 |
555 |
490 |
16-33 |
|
400 |
16 |
216 |
1190 |
305 |
565 |
515 |
16-26 |
580 |
525 |
16-30 |
620 |
550 |
16-36 |
|
450 |
18 |
222 |
1255 |
350 |
615 |
565 |
20-26 |
640 |
585 |
20-30 |
670 |
600 |
20-36 |
|
500 |
20 |
229 |
1305 |
380 |
670 |
620 |
20-26 |
715 |
650 |
20-33 |
730 |
660 |
20-36 |
|
600 |
24 |
267 |
1340 |
445 |
780 |
725 |
20-30 |
840 |
770 |
20-36 |
845 |
770 |
20-39 |
|
700 |
28 |
292 |
1520 |
480 |
895 |
840 |
24-30 |
910 |
840 |
24-36 |
960 |
875 |
24-42 |
|
800 |
32 |
318 |
1710 |
530 |
1015 |
950 |
24-33 |
1025 |
950 |
24-39 |
1085 |
990 |
24-48 |
|
900 |
36 |
330 |
1810 |
580 |
1115 |
1050 |
28-33 |
1125 |
1050 |
28-39 |
1185 |
1090 |
28-48 |
|
1000 |
40 |
410 |
1960 |
650 |
1230 |
1160 |
28-36 |
1255 |
1170 |
28-42 |
1320 |
1210 |
28-56 |
|
1200 |
48 |
470 |
2250 |
760 |
1455 |
1380 |
32-39 |
1485 |
1390 |
32-48 |
1530 |
1420 |
32-56 |
|
1400 |
56 |
530 |
2435 |
850 |
1675 |
1590 |
36-42 |
1685 |
1590 |
36-48 |
1755 |
1640 |
36-62 |
|
1600 |
64 |
600 |
2780 |
1030 |
1915 |
1820 |
40-48 |
1930 |
1820 |
40-56 |
1975 |
1860 |
40-62 |
|
1800 |
72 |
670 |
3020 |
1230 |
2115 |
2020 |
44-48 |
2130 |
2020 |
44-56 |
2195 |
2070 |
44-70 |
|
2000 |
80 |
760 |
3270 |
1350 |
2325 |
2230 |
48-48 |
2345 |
2230 |
48-62 |
2425 |
2300 |
48-70 |