产品特点
全衬胶法兰蝶阀阀体内壁采用几何成型橡胶360度无死角包覆,管道的流体介质与阀体金属表面完全隔离,有效的避免阀体内腔产生水垢,蝶板涂层采用独特技术进行橡胶或尼龙整体包覆,将管道介质与蝶板金属表面隔离,隔绝腐蚀蝶板而减少水质污染。蝶板外圆采用球面加工工艺,表面相当平顺摩擦力减少,从而保护阀座橡胶延长密封面寿命,产生的扭矩小开关轻松,阀轴的密封采用金属座环镶嵌技术,嵌入环起到自适应阀杆密封作用,解决了阀杆和密封圈之间轴向漏水的问题。
主要技术参数
|
公称压力 |
1.0~2.5MPa |
|
适用介质 |
清水、原水 |
|
适用温度 |
0~80℃ |
|
法兰标准 |
GB/T 17241.6、GB/T 9113 |
|
试验标准 |
GB/T 13927、API 598 |
主要零件材质
|
序号 |
零件名称 |
材质 |
序号 |
零件名称 |
材质 |
|
1 |
阀体 |
球墨铸铁 |
1 |
主阀杆 |
不锈钢 |
|
2 |
蝶板 |
球墨铸铁包覆涂层 |
2 |
副阀杆 |
不锈钢 |
|
3 |
轴销 |
不锈钢 |
3 |
O型圈 |
NBR、EPDM |
|
4 |
阀座密封圈 |
NBR、EPDM |
4 |
主自润滑轴套 |
黄铜+复合基底 |
|
5 |
蜗轮头 |
球墨铸铁 |
5 |
副自润滑轴套 |
黄铜+复合基底 |
|
6 |
手轮 |
球墨铸铁 |
6 |
螺栓 |
不锈钢 |
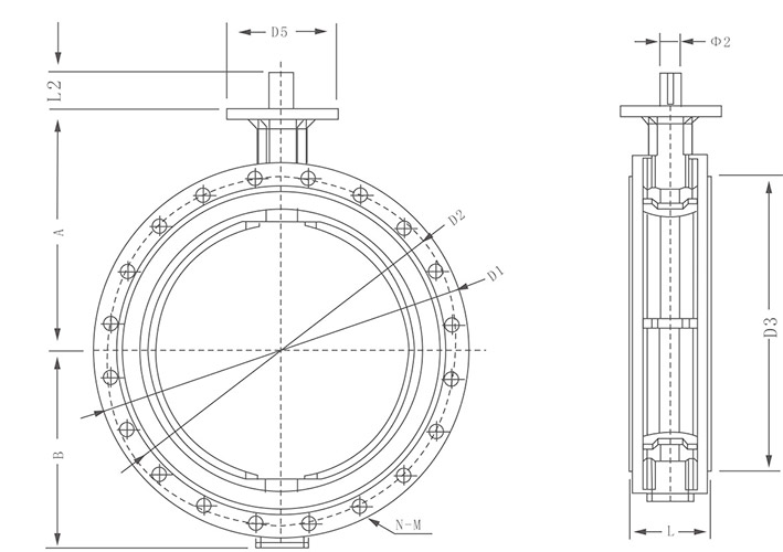
主要外形连接尺寸
|
DN |
A |
B |
D1 |
D2 |
D3 |
D5 |
L |
L2 |
N-M |
Φ2 |
|
150 |
190 |
155 |
285 |
240 |
211 |
90 |
100 |
32 |
8-M20 |
18. 92 |
|
200 |
230 |
195 |
340 |
295 |
266 |
115 |
100 |
45 |
8-M20 |
22.1 |
|
250 |
269 |
220 |
405 |
350 |
319 |
115 |
110 |
45 |
12-M20 |
28.45 |
|
300 |
296 |
250 |
460 |
400 |
370 |
140 |
110 |
45 |
12-M20 |
31 .6 |
|
350 |
341 |
285 |
520 |
460 |
429 |
140 |
120 |
45 |
16-M20 |
31 .6 |
|
400 |
361 |
315 |
580 |
515 |
480 |
197 |
130 |
51 |
16-M24 |
33.15 |
|
450 |
391 |
332 |
615 |
565 |
530 |
197 |
150 |
51 |
20-M24 |
38 |
|
500 |
431 |
360 |
670 |
620 |
582 |
197 |
160 |
52 |
20-M24 |
41 .15 |
|
600 |
521 |
425 |
780 |
725 |
682 |
276 |
170 |
70 |
20-M27 |
50.65 |
|
700 |
601 |
482 |
895 |
840 |
794 |
300 |
180 |
82 |
24-M27 |
63.35 |
|
800 |
661 |
550 |
1015 |
950 |
901 |
300 |
200 |
82 |
20-M30 |
63.35 |
|
900 |
701 |
605 |
1115 |
1050 |
1001 |
300 |
230 |
110 |
28-M30 |
75 |
|
1000 |
736 |
657 |
1230 |
1160 |
1112 |
300 |
250 |
141 |
28-M33 |
85 |
|
1200 |
918 |
798 |
1465 |
1380 |
1328 |
350 |
300 |
145 |
32-M36 |
105 |
|
1400 |
1000 |
972 |
1675 |
1590 |
1530 |
350 |
300 |
146 |
36-M39 |
105 |
|
1600 |
1122 |
1115 |
1915 |
1820 |
1750 |
455 |
457 |
200 |
40-M45 |
140 |
|
1800 |
1157 |
1142 |
2115 |
2020 |
1950 |
455 |
670 |
210 |
44-M45 |
180 |
|
2000 |
1267 |
1257 |
2325 |
2230 |
2150 |
455 |
760 |
250 |
48-M45 |
210 |