产品特点
1、该阀最优于传统流节阀的特点就在于它的结构设计和材料选用使其不怕污水堵道,不怕结垢现象,不易卡阻。驱动装动装置明显减少。
2、该阀可自动週节预先设定的管道介质参数值,使之在一定精度内保持恒定,且精度范围也可以进行调整。
3、该阀具有良好的耐气蚀特性,阀体内壁的筋板兼有整流板的作用,可以分散水流,防止气蚀。同时,也减小了阀门的噪音和活塞的振动。
4、该阀的控制系统可采用集成电子电路,体积小,可靠性好,灵敏度高,安装调试方便。
5、全关渗漏最为零,可作为截止阀使用。不必另设其他截止阀门。
6、如控制程度及精度要求不是很高,该阀的控制可以采用手动或普通电动形式。
7、可以卧式安装,也可以立式安装。
主要零件材质
|
序号 |
零件名称 |
材料 |
|
1 |
阀体、端盖、连接杆、法兰管、曲柄 |
HT250、QT450-10 |
|
2 |
阀杆、销轴、活塞 |
2Cr13、0Cr18Ni9 |
|
3 |
阀体密封圈 |
0Cr18Ni9、铜合金、纯镍 |
|
4 |
活塞密封圈 |
NBR、EPDM |
|
5 |
导流器 |
G25+硬质合金 |
|
6 |
连杆 |
QT450-10 |
|
7 |
轴承 |
ZCuA10Fe3、ZCuZn38Mn2Pb2 |
|
8 |
填料 |
NBR |
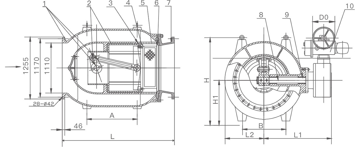
主要外形连接尺寸
|
PN |
DN |
L |
L1 |
L2 |
H |
H1 |
Do |
A |
B |
孔-数 |
|
10 |
200 |
400 |
620 |
190 |
660 |
220 |
200 |
160 |
160 |
- |
|
250 |
500 |
640 |
220 |
760 |
260 |
200 |
200 |
200 |
- |
|
|
300 |
600 |
680 |
250 |
800 |
330 |
200 |
250 |
220 |
- |
|
|
350 |
700 |
720 |
300 |
870 |
350 |
250 |
300 |
240 |
- |
|
|
400 |
800 |
780 |
330 |
910 |
380 |
250 |
350 |
280 |
26-4 |
|
|
450 |
900 |
850 |
390 |
960 |
400 |
300 |
400 |
320 |
26-4 |
|
|
500 |
1000 |
890 |
440 |
1080 |
450 |
300 |
450 |
350 |
26-4 |
|
|
600 |
1200 |
1050 |
500 |
1150 |
550 |
300 |
600 |
400 |
26-4 |
|
|
700 |
1400 |
1270 |
620 |
1300 |
570 |
360 |
700 |
500 |
30-4 |
|
|
800 |
1600 |
1300 |
630 |
1390 |
660 |
360 |
800 |
550 |
30-4 |
|
|
900 |
1800 |
1430 |
670 |
1600 |
730 |
400 |
850 |
600 |
30-4 |
|
|
1000 |
2000 |
1505 |
740 |
1850 |
850 |
400 |
900 |
620 |
36-4 |
|
|
1200 |
2400 |
1650 |
890 |
2100 |
960 |
500 |
1120 |
750 |
36-4 |
|
|
1400 |
2800 |
1780 |
1030 |
2280 |
1100 |
500 |
750 |
1200 |
42-8 |
|
|
1600 |
3000 |
1890 |
1180 |
2750 |
1280 |
500 |
850 |
1400 |
42-8 |
|
|
1800 |
3400 |
2000 |
1400 |
3000 |
1410 |
600 |
950 |
1600 |
48-8 |
|
|
2000 |
3800 |
2150 |
1500 |
3200 |
1540 |
600 |
1100 |
1700 |
48-8 |
|
|
2200 |
4200 |
2300 |
1700 |
3400 |
1670 |
600 |
1200 |
1800 |
48-8 |
主要外形连接尺寸
|
PN |
DN |
L |
L1 |
L2 |
H |
H1 |
Do |
A |
B |
孔-数 |
|
16 |
200 |
400 |
620 |
190 |
660 |
220 |
200 |
160 |
160 |
- |
|
250 |
500 |
640 |
220 |
760 |
260 |
200 |
200 |
200 |
- |
|
|
300 |
600 |
680 |
250 |
800 |
330 |
200 |
250 |
220 |
- |
|
|
350 |
700 |
720 |
300 |
870 |
350 |
250 |
300 |
240 |
- |
|
|
400 |
800 |
780 |
330 |
910 |
380 |
250 |
350 |
280 |
26-4 |
|
|
450 |
900 |
850 |
390 |
960 |
400 |
300 |
400 |
320 |
26-4 |
|
|
500 |
1000 |
890 |
440 |
1080 |
450 |
300 |
450 |
350 |
26-4 |
|
|
600 |
1200 |
1050 |
500 |
1150 |
550 |
300 |
600 |
400 |
26-4 |
|
|
700 |
1400 |
1270 |
620 |
1300 |
570 |
360 |
700 |
500 |
30-4 |
|
|
800 |
1600 |
1300 |
630 |
1390 |
660 |
360 |
800 |
550 |
30-4 |
|
|
900 |
1800 |
1430 |
670 |
1600 |
730 |
400 |
850 |
600 |
30-4 |
|
|
1000 |
2000 |
1505 |
740 |
1850 |
850 |
400 |
900 |
620 |
36-4 |
|
|
1200 |
2400 |
1650 |
890 |
2100 |
960 |
500 |
1000 |
750 |
36-4 |
|
|
1400 |
2800 |
1780 |
1030 |
2280 |
1100 |
500 |
750 |
1200 |
42-8 |
|
|
1600 |
3000 |
1890 |
1180 |
2750 |
1280 |
500 |
850 |
1400 |
42-8 |
|
|
1800 |
3400 |
2000 |
1400 |
3000 |
1410 |
600 |
950 |
1600 |
48-8 |
|
|
2000 |
3800 |
2150 |
1500 |
3200 |
1540 |
600 |
1100 |
1700 |
48-8 |
|
|
2200 |
4200 |
2300 |
1700 |
3400 |
1670 |
600 |
1200 |
1800 |
48-8 |