产品中心
您当前位置:产品中心 >> 蝶阀系列 >> WBGX/WBLX-对夹式中线软密封蝶阀
WBGX/WBLX-对夹式中线软密封蝶阀
产品概述
对夹式中线软密封蝶阀是管线优先选用的常规蝶阀,具有结构简洁,流阻系数小,流量特性趋于直线,不会滞留杂物。且重量轻,安装方便,驱动扭矩较小的优点。这种阀门既可作切断介质用,又可作调节介质的流量用。驱动装置根据用户要求,分别可采用手动、电动、气动等方式。选用不同材料的零件,配用不同材料的密封圈,可适应不同的介质、工况,使成本与性能达到理想效果。对夹式橡胶密封蝶阀适用于给排水、污水、食品、供暖、燃气、船舶、水电、冶 金、能源系统以及轻纺等行业,特别适用于双向密封和阀体易锈蚀场合,作调节流量和截流介质。
产品详情





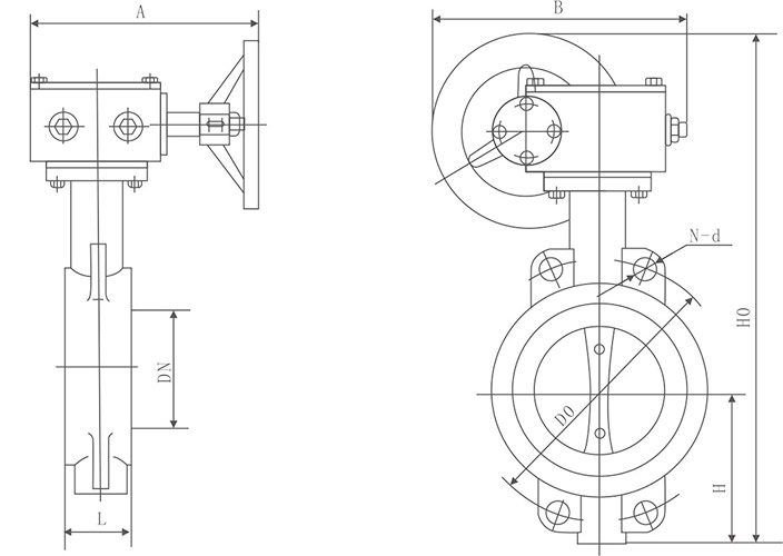
主要外形连接尺寸

公称通径DN

外形尺寸

连接尺寸

0.6MPa

1.0MPa

1.6MPa

L

H

H0

A

B

D0

n-d

D0

n-d

D0

n-d

50

43

63

306

180

200

110

4-14

125

4-18

125

4-18

65

46

70

321

180

200

130

4-14

145

4-18

145

4-18

80

46

83

346

180

200

150

4-18

160

8-18

160

8-18

100

52

105

387

180

200

170

4-18

180

8-18

180

8-18

125

56

115

411

180

200

200

8-18

210

8-18

210

8-18

150

56

137

447

270

280

225

8-18

240

8-22

240

8-22

200

60

164

572

270

280

280

8-18

295

8-22

295

12-22

250

68

206

646

270

280

335

12-18

350

12-22

355

12-26

300

78

230

738

380

420

395

12-22

400

12-22

410

12-26

350

78

248

761

380

420

445

12-22

460

16-22

470

16-26

400

102

289

877

450

470

495

16-22

515

16-26

525

16-30

450

114

320

938

480

490

550

16-22

565

20-26

585

20-30

500

127

343

993

480

490

600

20-22

620

20-26

650

20-33

600

154

413

1131

480

490

705

20-26

725

20-30

770

20-36

700

165

478

1476

640

660

810

24-26

840

24-30

840

24-36

800

190

525

1533

640

660

920

24-30

950

24-33

950

24-39

900

203

585

1655

750

860

1020

24-30

1050

28-33

1050

28-39

1000

216

640

1765

850

900

1120

28-30

1160

28-36

1170

28-42

1200

254

755

1995

850

900

1340

32-33

1380

32-39

1390

32-48



0578-6878373
qrCode