产品中心
您当前位置:产品中心 >> 止回阀系列 >> BF32X-多功能微阻缓闭止回阀
BF32X-多功能微阻缓闭止回阀
产品概述
BF32X 多功能微阻缓闭止回阀是液力自动阀的第三代新产品,是新型蝶式多功能水泵控制阀。由于结构紧凑,体积小,重量轻,该阀特别适用于大口径管路系统。可广泛应用于电力、环保、冶金、石化、水司、市政、食品等行业供、排水系统、污水泵房、化工流体等的输送系统,是当前国内外结构新颖、性能稳定、运行可靠的泵站新型控制设备 。
产品详情

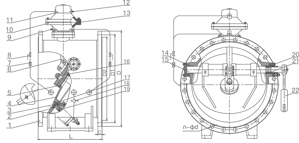
主要零件材质

名称

材质

名称

材质

阀体

球墨铸铁

膜片

丁腈橡胶/不锈钢

阀瓣

球墨铸铁

阀体密封面

半铁素体高铬钢D507(H)
硬质合金STL(Y)    A102不锈钢(R)

 

阀轴

 

不锈钢 20Cr13

 

硬密封副

STL(Y)+A102(R)

D507(H)+A102(R)





主要外形连接尺寸

DN

L

D

D1

n-φd

PN10

PN16

PN25

PN10

PN16

PN25

PN10

PN16

PN25

150

210

285

285

300

240

240

250

8-22

8-22

8-26

200

230

340

340

360

295

295

310

8-22

12-22

12-26

250

250

395

405

425

350

355

370

12-22

12-26

12-30

300

356

445

460

485

400

410

430

12-22

12-26

16-30

350

381

505

520

555

460

470

490

16-22

16-26

16-33

400

406

565

580

620

515

525

550

16-26

16-30

16-36

450

432

615

640

670

565

585

600

20-26

20-30

20-36

500

457

670

715

730

620

650

660

20-26

20-33

20-36

600

508

780

840

845

725

770

770

20-30

20-36

20-39

700

610

895

910

960

840

840

875

24-30

24-36

24-42

800

660

1015

1025

1085

950

950

990

24-33

24-39

24-48

900

711

1115

1125

1185

1050

1050

1090

28-33

28-39

28-48

1000

811

1230

1255

1320

1160

1170

1210

28-36

28-42

28-55

下一个产品:DRVZ-静音式止回阀
上一个产品:KXT-可曲挠橡胶接头


0578-6878373
qrCode